Created by
Created August 07, 2012
Last modified August 07, 2012
Tags No tags.

Summary

Not provided.


Description

Not provided.


Comments

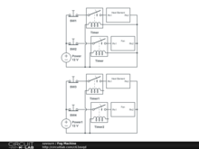
Would this work? A mini fog machine? The timer switches are 40 seconds on, therefore giving small drifts of fog when the element is on and small bursts of fog when fan on? Advice?

by savourn
August 07, 2012

Lower right corner shorts both relay coils.

by Optionparty
August 07, 2012

so the negative doesn't need to continue through the relay?

by savourn
August 07, 2012

Are the switches to momentarily stop the fog/fan?

by Optionparty
August 07, 2012

no the switches are to resend power to the timer relay that supplies power the fan/element for up to 40 seconds

by savourn
August 08, 2012

Leave a Comment

Please sign in or create an account to comment.

Revision History

Only the circuit's creator can access stored revision history.