Created by
Created July 29, 2013
Last modified July 29, 2013
Tags power-supply  

Summary

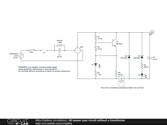
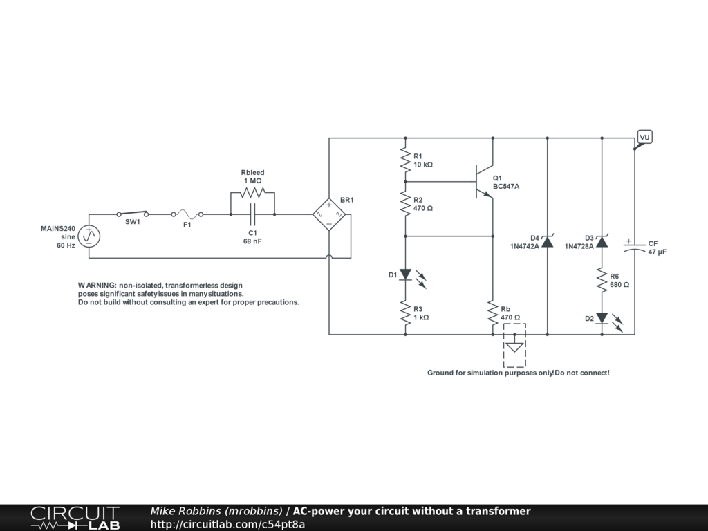
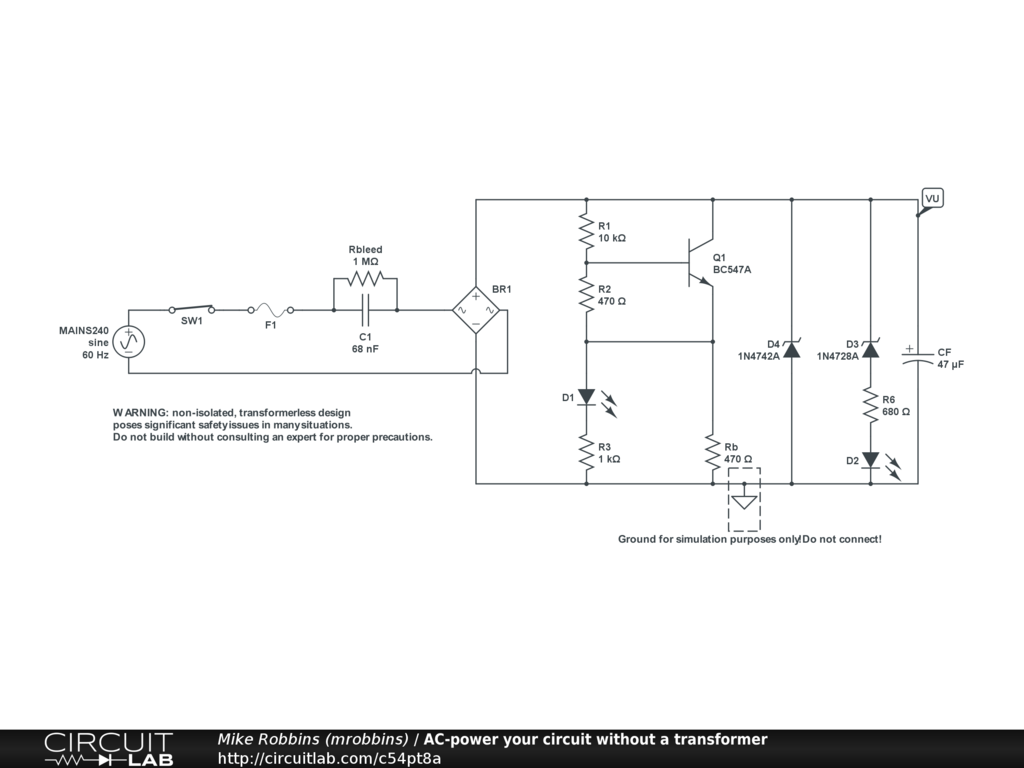
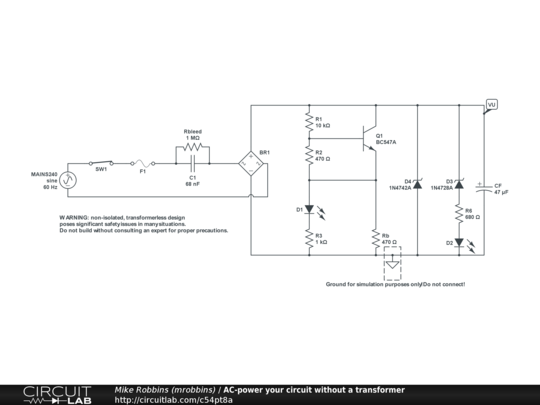
Low-power transformer-less AC-to-DC converter.


Description

From Raju Baddi's http://www.edn.com/design/power-management/4418393/AC-power-your-circuit-without-a-transformer (EDN Design Ideas).

Open and run a transient simulation to see the circuit at work!

  • Ground was included for simulation purposes only to define a zero voltage node. Do not include in the physical system.
  • CF reduced from 470u to 47u.

WARNING: non-isolated, transformerless design poses significant safety issues in many situations. Do not build without consulting an expert for proper precautions. See the comments on the EDN article for more details and suggestions from many commenters.


Comments

No comments yet. Be the first!

Leave a Comment

Please sign in or create an account to comment.

Revision History

Only the circuit's creator can access stored revision history.