Created by
Created June 20, 2022
Last modified September 24, 2024
Tags datacenter   high-voltage  

Summary

Power system model of a modular data center for Bitcoin mining and high performance computing.


Description

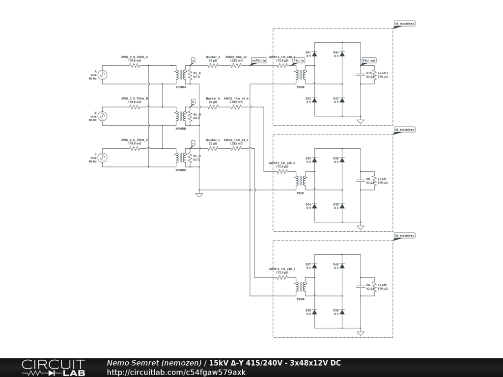
15kV 3-phase delta power input, stepped down to 415/240V wye, supplying 144 machines (48 on each phase), each has as a PSU that converts 240V AC to 12V DC, and consume ~ 3.4kW. In this model, the 144 machines are represented by an equivalent circuit for 48 machines each.


Comments

No comments yet. Be the first!

Leave a Comment

Adding comments has been disabled for this circuit.

Revision History

Only the circuit's creator can access stored revision history.