Created by
Created July 05, 2012
Last modified July 05, 2012
Tags dc-to-ac  

Summary

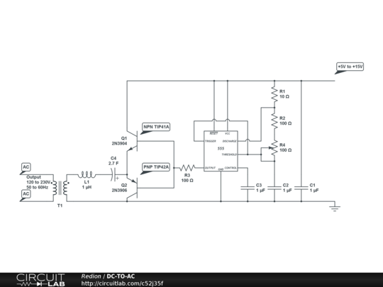
DC-AC inverter produces an output voltage alternating voltage network.

IC 555 configured for Low Frequency Oscillator. Frequency can be changed 1950-1960 change frequency meter Hz potens R4.

This DC-AC inverter schematic produces output AC power, and frequency. 555 is set to a low frequency oscillator, tunable in the frequency range 50-60 Hz, R4 potentiometer.

555 feeds output (which Q1 and Q2) to the transformer T1, a reverse filament transformer with the necessary step to turns ratio. Capacitor C4 and coil L1 filter the input T1, assuring that it is virtually a sine wave. Adjust the voltage of T1.
Output (in watts) you must select the different parts.

input voltage is anywhere +5 V +15 V DC, operating voltage CAP 2700uF adjust accordingly.
Q1 are the types of compensation: TIP41B, TIP41C, NTE196, ECG196, etc. Q2 types of parts are: TIP42B, TIP42C, NTE197, ECG197, etc. Do not be afraid to use another type of similar characteristics, only one transistor. ..

R1 = 10K
R2 = 100K
R3 = 100 ohms
R4 = 50K potmeter, Linear
C1, C2 = 0.1uF
C3 = 0.01uF
C4 = 2700uF
Q1 = TIP41A, NPN, or its equivalent
Q2 = TIP42A, PNP or equivalent
L1 = 1UH
T1 = filament transformer selection


Description

Not provided.


Comments

No comments yet. Be the first!

Leave a Comment

Please sign in or create an account to comment.

Revision History

Only the circuit's creator can access stored revision history.