Created by
Created May 01, 2015
Last modified August 14, 2017
Tags No tags.

Summary

Not provided.


Description

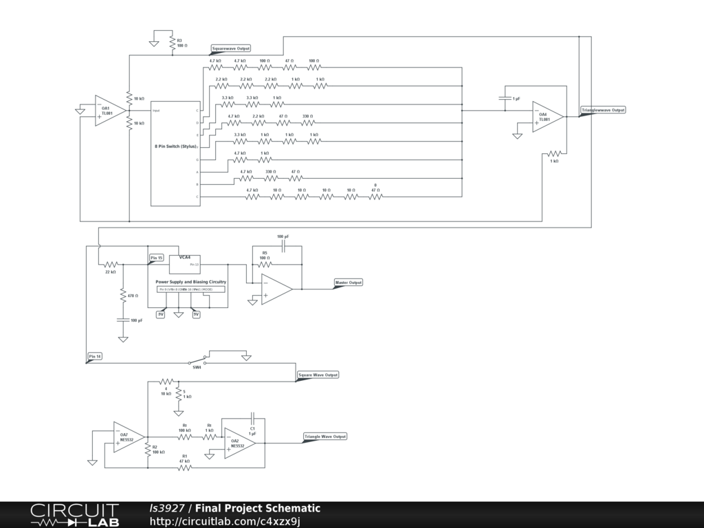
My project is an interpretation of the stylophone. The project is basically an eight key synthesizer triggered by a stylus creating a sound when it comes in contact with a metal plate. Each individual metal plate is set to play a certain note, from C4 up to C5. In other words, it plays an entire octave. There are two different ways in which the notes can be played. The first is as a straight tone. The second has a tremolo that adds a little bit of texture to the sound.

Here is a video of my project.

Here is an audio recording of my project.

I began by creating an oscillator through the use of Operational Amplifiers. OP Amps are essentially voltage amplifying devices designed to be used with external feedback components between its output and input terminals. For the external feedback components, I used resistors and capacitors. By using the output frequency formula:

Output Frequency = (1/(4RtC))*(R2/R1)

I was able to calculate the proper resistance of each of the eight notes needed to create the synthesizer. My calculations are as follows:

C 261Hz = 1/(4R.000001 farads)*(10) = 9578 Ohms

D 293Hz = 1/(4R.000001 farads)*(10) = 8532 Ohms

E 329Hz = 1/(4R.000001 farads)*(10) = 7598 Ohms

F 343Hz = 1/(4R.000001 farads)*(10) = 7288 Ohms

G 392Hz = 1/(4R.000001 farads)*(10) = 6377 Ohms

A 440Hz = 1/(4R.000001 farads)*(10) = 5681 Ohms

B 493Hz = 1/(4R.000001 farads)*(10) = 5070 Ohms

C 523Hz = 1/(4R.000001 farads)*(10) = 4780 Ohms

And this is the portion of the schematic, covering my oscillator.

The stylus can be seen in the large 8 pin box of this schematic. It essentially completes the connection when it touches any of the 8 metal plates. Once the connection is completed, a signal is sent though a Voltage Controlled Amplifier. With a VCA, it is possible to take any input or output signal and input it into the VCA, and then use that signal to control the volume of another audio signal.

In order to slow the oscillator down I had to increase R1 to 47 kOhms and R2 to 100 kOhms. This this slows the oscillation down to about 5 hz. When the signal is being received, it interacts with the normal speed oscillations and creates a tremolo (or frequency modulation) effect.

There is a switch alternating the VCA between receiving the slowed signal (aka creating a tremolo) and receiving no signal (aka groud or the normal signal from the original oscillator). This allows for two different sounds in the synthesizer.

This is the schematic for just the VCA (top) and the Tremolo (bottom).

Both signals are run through the master output of the VCA, which in this case is another OP Amp.

The final schematic can be found above.


Comments

No comments yet. Be the first!

Leave a Comment

Please sign in or create an account to comment.

Revision History

Only the circuit's creator can access stored revision history.