Created by
Created June 16, 2012
Last modified June 16, 2012
Tags adder   button   digital   logic-gate   memory   simple   sram  

Summary

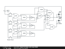
This is a simple elegant circuit designed to add and has simple memory.


Description

This circuit I designed with my excess of time I seem to have on hand lately, although my personal matters are not of interest to the public. This is able to store the inputs and calculate a constant output without further user input. I do know that the last part is a little complicated and needs to be fixed. If you have suggestions on that feel free to leave them in the comments box. I will probably reply to you within 24 hours or sooner. Anyway, I would love to see a video linked to this of the circuit actually built. I do not have my own materials other wise I would have surely done this task with my breadboard. Please leave your comments and suggestions.


Comments

No comments yet. Be the first!

Leave a Comment

Please sign in or create an account to comment.

Revision History

Only the circuit's creator can access stored revision history.