Created by
Created March 04, 2012
Last modified March 13, 2012
Tags No tags.

Summary

Not provided.


Description

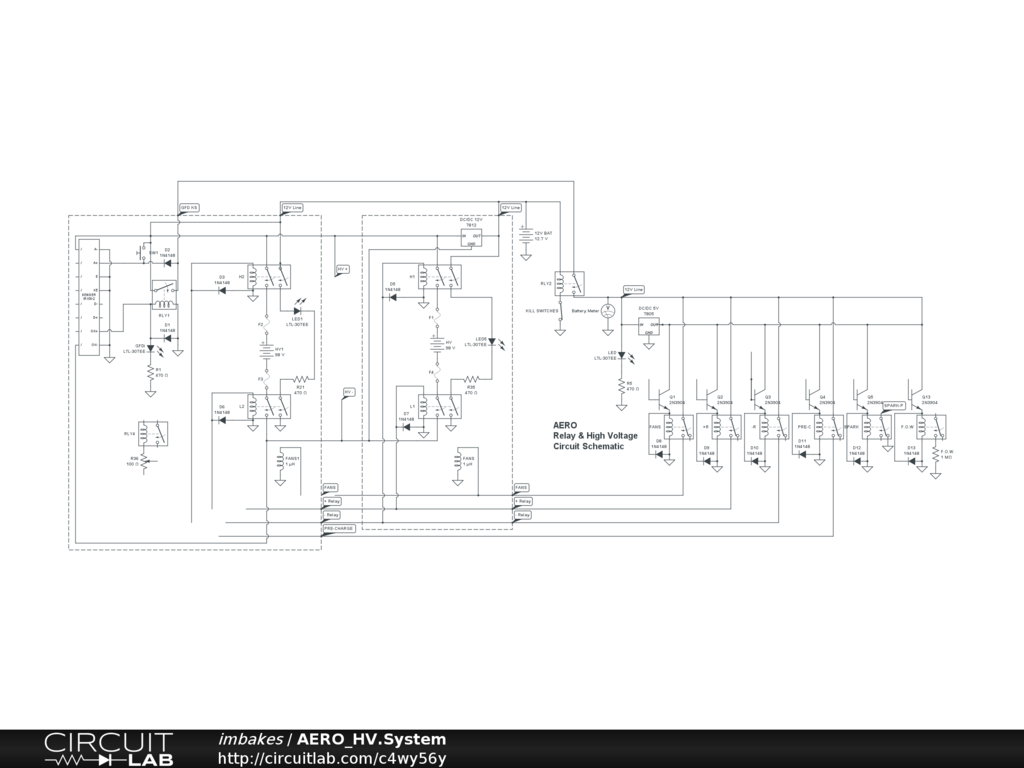
AERO High Voltage System

Pre-charge Circuit: NO

Bender Circuit: YES w/ Reset & LED indicator

Positive Relays: YES w/ LED indicator

Negative Relay: YES w/ LED indicator

Notes The DC/DC converter has a HV ground reference and a LV ground reference (not shown) The transistor inputs are from a 16pin, I2C expander.


Comments

No comments yet. Be the first!

Leave a Comment

Please sign in or create an account to comment.

Revision History

Only the circuit's creator can access stored revision history.