Created by
Created May 13, 2013
Last modified June 21, 2013
Tags arduino  

Summary

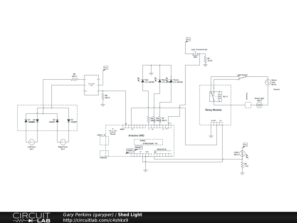
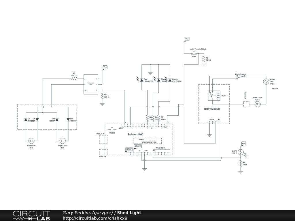
Turns on my garage light when the roller doors are activated from their remotes. Only turns on light if light level below threshold.


Description

Not provided.


Comments

No comments yet. Be the first!

Leave a Comment

Please sign in or create an account to comment.

Revision History

Only the circuit's creator can access stored revision history.