Created by
Created July 10, 2025
Last modified April 05, 2026
Tags distortion-circuit  

Summary

4-Stage Distortion Circuit with 3-Voiced Fuzz


Description

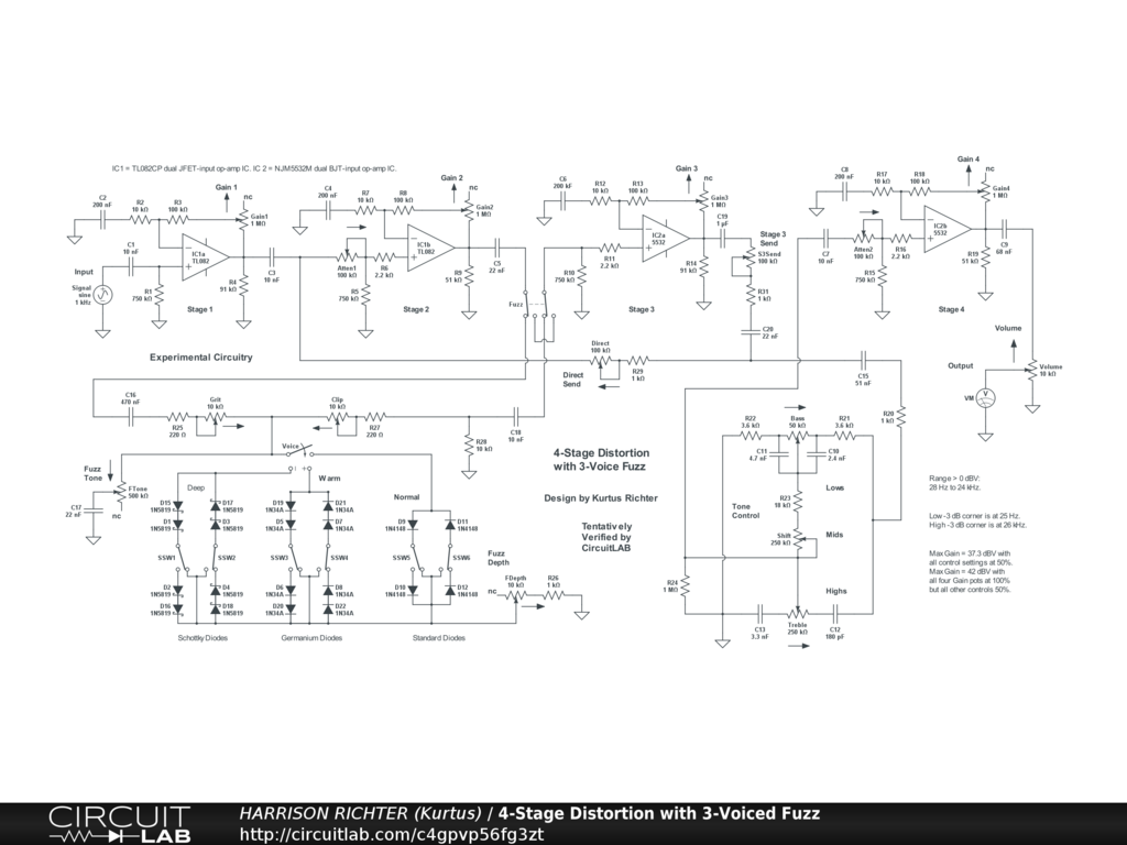
4-stage op-amp distortion circuit providing overdriven JFET and BJT distortion, with 3-voiced fuzz giving Schottky, germanium, and standard silicon fuzz sounds, along with a 2-band James-style tone-control that includes an added Shift (mid-center) pot. Controls Include: Gain 1, Direct Send, Attenuation 1 pot, Gain 2, Fuzz enable switch, Fuzz Grit pot, Fuzz Voice switch (Deep, Warm, or Normal), Fuzz Tone, Fuzz Depth, Fuzz Clip pot, Gain 3, Stage 3 Send, Bass, Shift, Treble, Attenuation 2 pot, Gain 4, and Volume. Range above 0 dBV is from 28 Hz to 24 kHz, with emphasis between 63 Hz and 6.3 kHz. Thus, circuit is suitable for 6/7/8-string guitar or 4/5/6-string bass-guitar, in standard tuning. Maximum gain = 37.3 dBV @ 250 Hz with all controls at 50%, or 42 dBV @ 1 kHz with all four Gain pots at 100% but all other controls at 50%. Caution! High-gain circuit. Besides working as both a distortion and a fuzz circuit, this design can also be used as an overdrive. Power-supply not shown. Requires a regulated dual-polarity supply providing +-9VDC or +-12VDC or +-15VDC at >= 20 mA total circuit current.


Comments

No comments yet. Be the first!

Leave a Comment

Please sign in or create an account to comment.

Revision History

Only the circuit's creator can access stored revision history.