Created by
Created October 04, 2012
Last modified October 04, 2012
Tags No tags.

Summary

A suitable product has not been produced to perform the task i require, thus i must produce one.

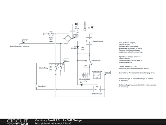
2 stroke electric starter to be used as ac generator.
generator produces 8.5v, needs to be doubled to charge 12v 9a SLA 20h.

Would like to use 12v hid bulb and ballast and a usb port as night light (only used in rare short bursts, up to 15 minutes maximum.

usb port to charge mobile device and camera


Description

Hello everyone.

My aim is to use the electric starter on my small two stroke motor to charge the 12v battery.

Please feel free to assist me in any corrections and/or advice you can provide.

starter produces 8.5v ac. Other products with slightly larger engines/loads require a 6A battery, i have selected a 9A. In the future i will attempt to add a 12v HID and/or a 5v usb charger for my Galaxy S3 and GoPro's.

Thank you in advance :)


Comments

Voltage regulator input, for additional electronics, connected to the Battery.

by Optionparty
October 05, 2012

Thanks very much. So the doubler circuit works as a rectifier well. What caps and diodes should I use to have enough volts to charge the battery and run a headlight and a usb port? If it is posible That is. I will check the box of the hid for the amps

by Dominic
October 05, 2012

Charge Voltage Regulator, consider peak current.
Component value calculator
http://www.electronics-lab.com/articles/LM317/

by Optionparty
October 06, 2012

Thank you very much for your time and assistance it is greatly appreciated :)

by Dominic
October 06, 2012

Half Wave Voltage Doubler
Voltage Doubler component values
http:///92jfpwv

Diode current ratings should be as high
as the Voltage Regulator current limits.

Capacitors, quit charging when full,
so are frequency dependent,
because of the amount of charge time they have.

One solution would be using
larger values for low frequencies and
smaller values for higher frequencies.
A diode in series with each output,
then connecting them in parallel.

by Optionparty
October 06, 2012

A cheap (free) oscilloscope might help you
select component values.

http://www.electronic-engineering.ch/radiocontrol/circuits/osziconn/connect.html

Google
Computer Oscilloscope
or
Sound Card Oscilloscope Software

by Optionparty
October 06, 2012

Sorry;
I may have been addressing a condition that may not exist.

A starter motor would normally be geared down, to develop sufficient torque to crank an engine over.
Upon concluding cranking the engine, the starter motor mechanically disengages from the engine.

If a starter motor were designed to stay engaged, it would work as a generator, and any manufacture would use this.
A DC starter motor, would also be a DC generator, not AC.

I suspect the AC output you have, is the primary Flyback.
Manufactures already use this boost power to charge the battery, with the battery powering the horn and lights.

If this is the case, voltage doubler and regulator are not necessary for charging. Just your USB regulator, to the battery.

by Optionparty
October 07, 2012

Adding more power at low speeds.

Low frequency;
Disconnect C1f. Connect C1s. Increase the capacity of C1s,
until just before the output voltage starts to drop.
(Slightly under capacity.)

Higher frequency;
Disconnect C1s. Connect C1f. Increase the capacity of C1f,
until the output voltage starts to drop.

Connect C1s and C1f.

The high frequency (fast)
voltage should output over the full range.
The low frequency (slow)
will add power at the low frequency end.

If more power is needed at additional frequencies, add more circuits.

by Optionparty
October 07, 2012

Leave a Comment

Please sign in or create an account to comment.

Revision History

Only the circuit's creator can access stored revision history.