Created by
Created February 10, 2013
Last modified February 12, 2013
Tags launch-control   microcontroller   rocket  

Summary

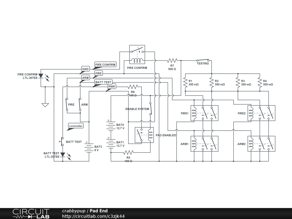
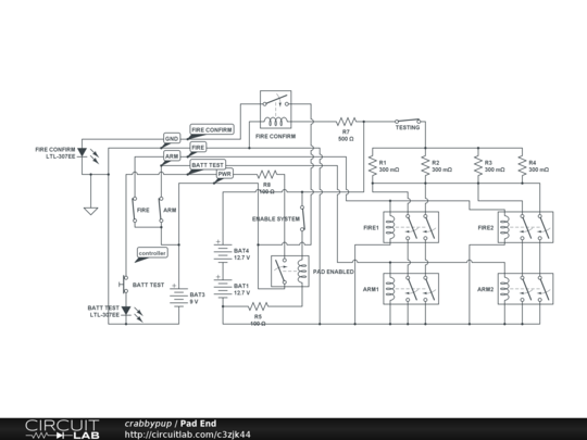
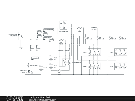
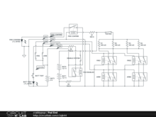
Launch controller (pad end) for model and high power rocketry


Description

the 'controller' side circuitry represents a microcontroller that will be performing the 'cable/battery test', 'arm' and 'launch' functions. these can also be accomplished with manual switches if you would like to keep your computer/microcontroller at home on launch day.


Comments

No comments yet. Be the first!

Leave a Comment

Please sign in or create an account to comment.

Revision History

Only the circuit's creator can access stored revision history.