Created by
Created July 05, 2025
Last modified November 29, 2025
Tags 2-band-tone  

Summary

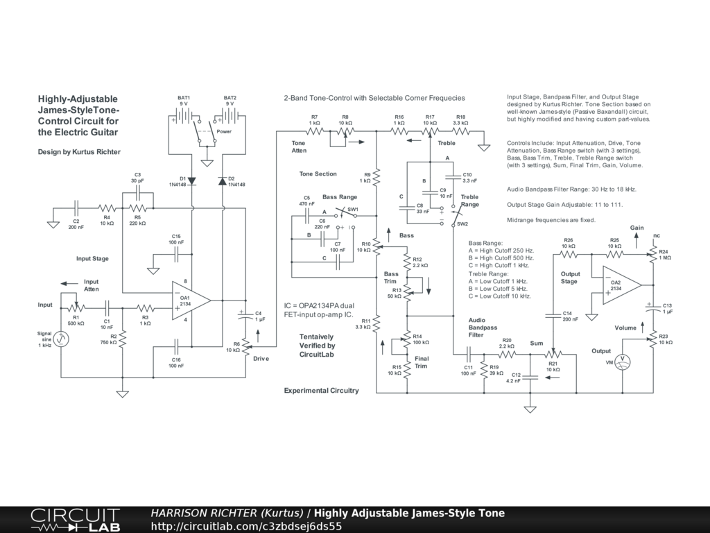
Highly-adjustable James-style 2-band tone-control circuit.


Description

Highly-adjustable James-style (Passive Baxandall) tone-control circuit. Based on a James-type 2-band tone-control circuit (a.k.a. Passive Baxandall circuit) with user selectable parameters. Controls Include: Input Attenuation, Drive, Tone Attenuation, Bass, Bass Range switch (with 3 settings), Bass Trim, Treble, Treble Range switch (with 3 settings), Sum, Final Trim, Gain, and Volume. Suitable for stomp-box or rack-mount applications. Batteries can be replaced by regulated dual-polarity +-9V DC power-supply providing >= 20 mA of current. Though verified, treat as experimental. Breadboard test before committing to a soldered build. Frequency range above 0 dBV is from 60 Hz to 21 kHz. Circuit is recommended only for 6-string electric guitar in standard tuning. Maximum gain = +13 dBV from 630 Hz to 2.5 kHz with the Input Attenuation control at 0 but all other controls at 50%, or +37.4 dBV with Drive, Sum, Gain, and Volume controls at 100%, but Input Attenuation at 0 and all other controls at 50%. With control settings > 50%, the circuit can be used as a high-gain signal booster or as a low-gain overdrive.


Comments

No comments yet. Be the first!

Leave a Comment

Please sign in or create an account to comment.

Revision History

Only the circuit's creator can access stored revision history.