Created by
Created May 03, 2012
Last modified May 03, 2012
Tags power-supply  

Summary

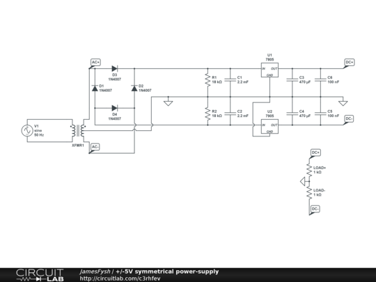
Provides +/-5Vdc from a 9-0-9 step-down transformer.


Description

Not provided.


Comments

No comments yet. Be the first!

Leave a Comment

Please sign in or create an account to comment.

Revision History

Only the circuit's creator can access stored revision history.