Created by
Created May 15, 2012
Last modified May 16, 2012
Tags No tags.

Summary

Not provided.


Description

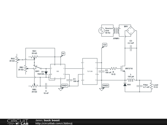
A 500 W Buck boost converter in CCM driven by tlp 250 at 100kHz. 150uH is the critical value, i have used 1mH in actual practice.


Comments

No comments yet. Be the first!

Leave a Comment

Please sign in or create an account to comment.

Revision History

Only the circuit's creator can access stored revision history.