Created by
Created February 13, 2014
Last modified February 13, 2014
Tags No tags.

Summary

Not provided.


Description

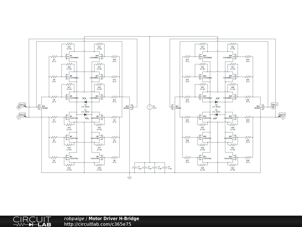
H-Bridge motor controller for an Arduino based robot.


Comments

No comments yet. Be the first!

Leave a Comment

Please sign in or create an account to comment.

Revision History

Only the circuit's creator can access stored revision history.