Created by
Created July 05, 2025
Last modified April 07, 2026
Tags 6-band-eq  

Summary

6-Band Active EQ for Electric Guitar.


Description

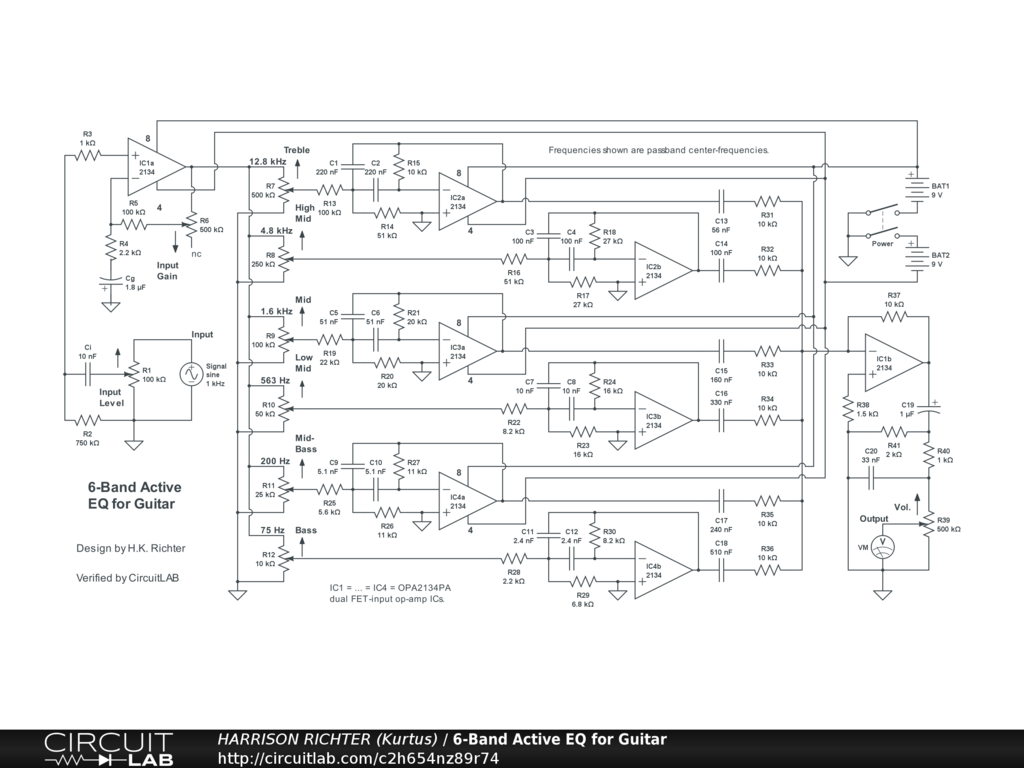
6-band active equalizer for electric guitar using FET-input op-amp ICs. Controls include: Input Level, Gain, Treble, High MId, Mid, Low Mid, Mid-Bass, Bass, and Volume. One op-amp is used for an input stage, providing initial gain, and the ohter in the same IC is for the output stage, in the form of a summing-amp. There are six bandpass filters with identical topologies but different part-values. Passband center-frequencies are shown. Recommended for rack-mount applications but can be a stomp-box project with sufficiently large box. Batteries can be replaced by a regulated dual-polarity +-9V DC power-supply providing 100 to 500 mA of available current. Though verified, treat the circuit as experimental. Breadboard test before committing to soldered build. Total circuit gains per frequency with all pots at middle positions, and using a 1 V p-p 1 kHz input signal, are; -9dBV @ 40Hz, 0dBV @ 50Hz, +6dBV @ 82Hz, +13dBV @ 160Hz, +16dBV @ 630Hz, +19dBV from 1kHz to 4kHz, +16dBV @ 10kHz, +13dBV @ 15kHz, and +9dBV @ 20kHz. Absolute maximum total circuit gain = +38dBV from 1kHz to 4kHz. Thus, circuit emphasizes mid to high frequencies in the ideal range for 6-string electric guitar; from 82Hz to 15kHz. Not suitable for 7/8-string guitars or 4/5/6-string bass.


Comments

No comments yet. Be the first!

Leave a Comment

Please sign in or create an account to comment.

Revision History

Only the circuit's creator can access stored revision history.