Created by
Created June 11, 2025
Last modified April 07, 2026
Tags guitar-eq  

Summary

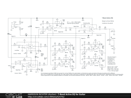
7-Band Active Equalizer for Electric Guitar


Description

7-band active equalizer for the guitar. Frequency limits are: 18 kHz high cutoff, and 80 Hz low cutoff. Each of these are set by filters with adjustable gain controls labeled as Super Treble and Sub-Bass respectively. Passbands in-between are: Bass 80 Hz to 320 Hz, Low-Mid 160 Hz to 640 Hz, Mid 320 Hz to 2.6 kHz, High-Mid 1.3 kHz to 10 kHz, and Treble 5.2 kHz to 15.6 kHz. Gain controls are used instead of volume controls on these five passbands, as well. Will accept signals from passive or active guitar, effects device, preamp, or processor. Though verified, treat as experimental. Breadboard test before committing to a soldered build. Total circuit gains per frequency with all pots at middle positions, and using a 1 V p-p 1 kHz input signal, are; -9dBV @ 10hz, 0dBV @ 20Hz, +7dBV @ 40Hz, +14dBV @ 100Hz, +18dBV from 400Hz to 10kHz, +17dBV @ 15kHz, and +16dBV @ 20kHz and above. Absolute maximum possible total circuit gain = +36dBV from 400Hz to 10kHz.


Comments

No comments yet. Be the first!

Leave a Comment

Please sign in or create an account to comment.

Revision History

Only the circuit's creator can access stored revision history.